Charge active 20V 5A

Introduction

charge active Pour developper des alimentations, comme celle du Raspberry Pi dans la voiture, il faut pouvoir la tester avec une charge active. Le dernier Raspberry est suposé consommer 4A. J'ai donc besoin d'une charge active "au moins 4A".

Transistor de puissance TIP121

Darlington Le composant le plus important dans une charge active est le transistor de puissance. Le choix du transistor de puissance a été assez facile : j'avais des TIP121 dans mes tiroirs. C'est un Darlington, donc avec un gain supérieur à 100, même avec une forte puissance.

Le TIP121 est un transistor 5 A, donc … je ne peux pas faire passer 5 A dans un seul transistor (il faut prévoir un dérating). Comme j'ai 3 transistors, alors j'en met 3. Le courant sera donc de 5A/3 ≈1,7A par transistor.

TIP121 gain Ci-contre : le gain du TIP121. Il est superieur à 1000 pour un courant IC d'au moins 100 mA. La puissance de sortie des AOP sera donc très faible.

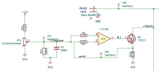
Pilotage

schema simplifié C'est un bête suiveur. La tension de shunt sera la même qu'en consigne. J'ai des résistances de puissance 0,402Ω 3W dans mon tiroir, si j'en met 1 par transistor, on a U = R * I donc U = 0,402R * 1,7A = 670mV.
La tension de consigne doit donc évoluer entre 0 et 670 mV.
Comme on travaille autour de zéro Volt, il est important que les AOP soient alimentés en symétrique (je n'ai pas de bons AOP rails to rails sous la main).
Le schéma ci-dessus est reproduit autant de fois qu'il y a de transistors de puissance, pour s'assurer que chaque transistor ai bien 1/3 du courant.

Lecture du courant

mesure du courant La lecture du courant se fait en additionnant chaque tension de shunt et en l'amplifiant pour que le courant max (5A) soit représenté par une tension de 5V, ce qui est le max des petits afficheurs que j'ai (Datel).

Dissipateur

dissipateurs Si on considère une alimentation 20V (le max que je me donne) et 5A, ce qui fait 1,7A par transistor, alors on a 34W par transistor. Zut… mes tiroirs ne contiennent pas de dissipateurs assez gros. Par contre, mon garage contient des vieilles cornières de marche d'escalier ;-)
C'est très "DIY" … je vais pas m'eterniser dessus ! Ça m'étonnerai que ce dissipateur puisse vraiment dissiper 34W par transistor. Bon, ça ira au moins pour l'alimentation 5V (8,5W).

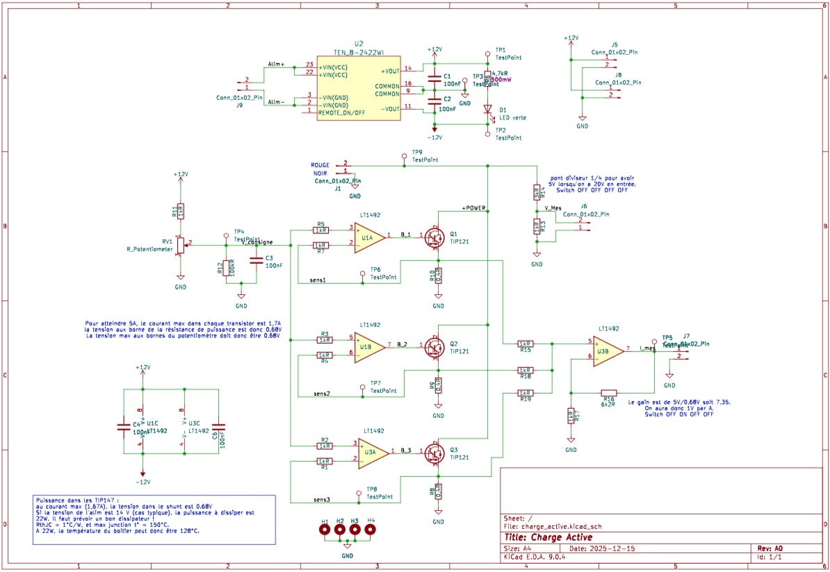
Schéma complet

dissipateurs Le schéma complet…

Test

dissipateurs Pas rgand chose à dire. Tout est conforme à ce qui est décrit plus haut. La consigne varie entre 0 et 0,67V. Le courant varie entre 0 et 5A, et la tension est données par la source.

dissipateurs En revanche, les afficheurs Datel ne sont pas linéaires. Je n'arrivent pas à les régler pour qu'il soient juste partout, j'ai jusqu'à 20% d'erreur !

Liens

NÉNÉSite 1999-2026 J.Zehnne Tout ce site et ses composants sont faits sur Mac [1174]